LCD-skärmmodul för kökselektronikvåg
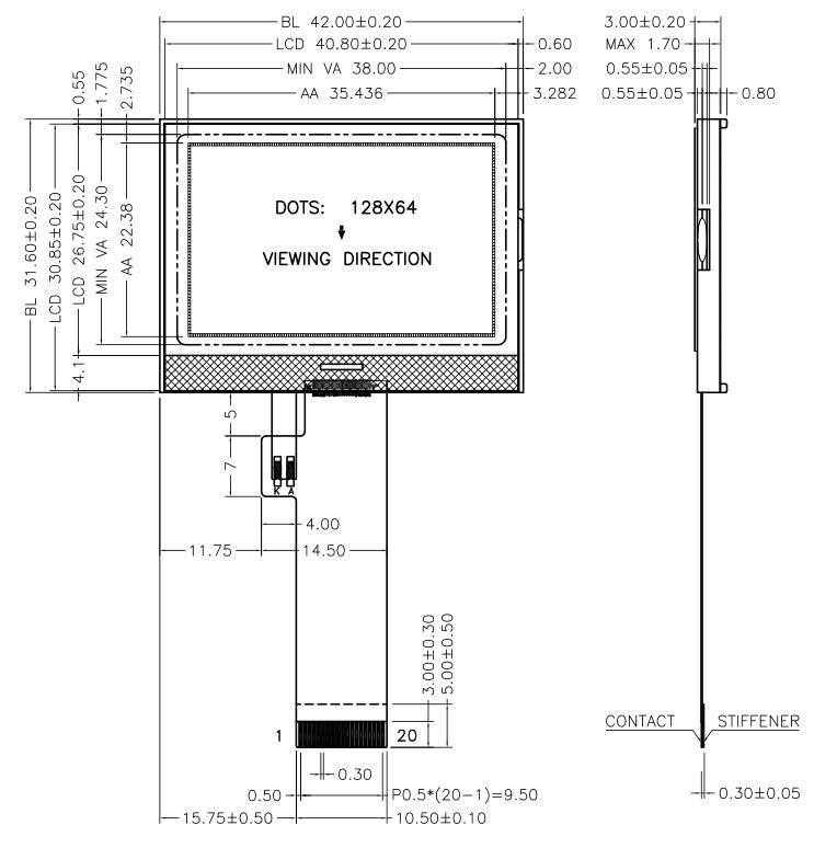
LCD-skärmsmodulen är 128x64 punkters LCD-skärm i standardstorlek för handhållna verktyg; där dimensionen är 42.0x31.60mm och visningsytan är 38.0x24.30mm; DFSTN-material med ST7567-kontroller.
- produkt introduktion
Produktinformation
LCD-skärmsmodulen är 128x64 punkters LCD-skärm i standardstorlek för handhållna verktyg; där dimensionen är 42.0x31.60mm och visningsytan är 38.0x24.30mm; DFSTN-material med ST7567-kontroller. Vi har tre bakgrunder för denna LCD, blå, svart och grå, och kan anpassa efter dina krav inklusive storlek.
Specifikation



Process av anpassad LCD
Designa LCD-ritningen: Vår ingenjör kommer att designa LCD-ritningen enligt kundens krav, det kommer att ta cirka 1-3 dagar.
Bekräfta LCD-ritningen: När vi är klara med ritningsdesignen skickar vi till kunden för bekräftelse.
Verktyg och provproduktion: När kunden bekräftat att ritningen är OK, kommer vi att börja verktygs- och provproduktion, det tar cirka 15 till 30 dagar. (Beroende på LCD-typer)
Massproduktion: När vi avslutade provproduktionen kommer vi att skicka 5 PCS gratisprover till kunden för test; och om proverna är OK påbörjar vi massproduktionen, vilket tar cirka 30-40 dagar.

Populära Taggar: LCD-skärmmodul för kökselektronikvåg, Kina, leverantörer, fabrik, anpassad, offert, köprabatt, gratisprov, tillverkad i Kina











